走航式雷达波测流系统
时间:2026/03/26 15:09:40浏览量:21
1.结构原理
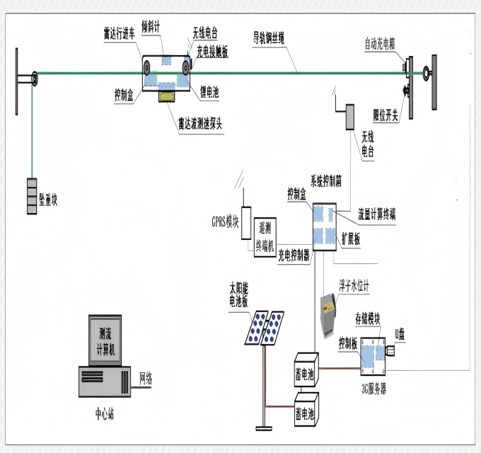
走航式雷达波测流系统是以雷达流速仪为传感器,以雷达小车为载体,在控制单元的控制下,按照用户设定的测流断面垂线自动完成各条垂线流速测量、断面流量计算、数据分析、报表输出的全自动流量在线监测系统。该系统由雷达流速仪、水位计、雷达小车、系统控制单元、供电单元、运行缆道、平台软件等组成。
2.系统构成
含水文站塔架立柱及工作索、行车、雷达测速传感器、系统控制器、仪器箱、供电电源、避雷接地等,系统平均无故障时间:MTBF≥25000小时。
走航式雷达波测流系统利用两根水平架设的不锈钢绳为雷达小车运行导轨,通过控制单元将用户设定的测流参数(如垂线起点距、测流时间等)和测流指令经无线电台发送至雷达小车。
雷达小车收到指令后,按照指令要求依次运行到各测流垂线位置,启动雷达流速仪进行流速测量,并及时将流速数据通过无线电台发送给系统控制单元。
控制单元同时采集水位数据,完成流量计算,并将流量数据通过4G(GPRS)网络发送至服务器平台软件,从而实现断面无人值守自动测流。当完成测流后,将雷达小车回到仪器室内,自动进行充电。


3.系统软件


4.施工案例


上一篇:PXC50型水文巡测车
下一篇:最后一篇


